http://www.schmittle.de/html/links.html

Pyramide
Kegel Kugel
Zylinder
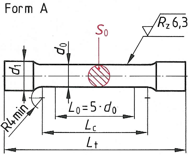
Zugversuch
Würfel
6KANT
Metrisches_Gewinde
Logo-Bild

Zurück zur vorhergehenden Seite